systemunabhängig
  zukunftssicher
  innovativ
Haus-Bus

Startseite   Onlineshop     FAQ   Datenschutz | AGB | Kontakt | |



Heizstabregelung für PV Überschuss

Mit diesem Modul können große ohmsche Lasten bis theoretisch 40A je Phase geregelt werden. Ein typischer Anwendungsfall wäre beispielsweise die Verwendung von PV Überschuss zur Ansteuerung eines Heizstabs. Zum Einsatz kommt eine Spezialversion des Haus-Bus.de 32-fach IO Moduls, deren 16 Ausgangskanäle wie ein Dimmer angesteuert werden können und diese wiederum je ein 40A Solid State Relais schalten. Je nach gewünschter Leistung (oder je nach vorhandenem PV Übeschuss) wird der Kanal auf einen Wert von 0-100% eingestellt. Dieser taktet das Solid State Relais entsprechend der gewünschten Leistung. Das Relais schaltet ausschließlich im Nulldurchgang, so dass keine Störungen oder Hitze entstehen. Durch eine spezielle Implementierung der Wellenpaketsteuerung kommt es nicht zu den ungewünschten Oberwellen wie beim Phasenanschnitt. Damit ein saldierender Zähler den Verbrauch wie gewünscht zählt, werden auch Halbwellen des Sinus geschaltet. Je zu regelnder Phase muss ein eigenes Solid State Relais verwendet werden, wodurch also theoretisch bis zu 16 x 40A geregelt werden können (Maximalleistung nur unter optimalen Temperaturbedingungen). Bitte beachen, dass bei einer Last von mehr als 12A Abstand zwischen den Relais gehalten und für ausreichende Belüftung gesorgt werden muss.


Preise im Shop anzeigen




Einbindung in Ihr System

Die Einbindung in die verschienenen Smarthome Systeme ist sehr einfach und wird jeweils in einer individuellen Anleitung beschrieben.
Klicken Sie einfach auf Ihr System, um zur Anleitung zu gelangen:




Technische Daten

Technische Daten IO Modul:
16 x 24V PWM Ausgang zur Regelung von Solid State Relais
16 Digitaleingänge bis 30V
Spannungsversorgung 12-30V
Querschnitt der Anschlussklemmen: AWG 30 bis 20 / 0.05 mm² bis 0.5 mm²
Anbindung per RS485 Bus
Optische Statusanzeige: Status-LEDs (1 x rot, 1 x grün)
Kompaktes Hutschienengehäuse 56mm x 81mm x 40mm (B x T x H)
Maximale Stromaufnahme: 330mA
Detailierte Stromaufnahme: 10mA Grundlast + max 20mA pro Ausgang

Technische Daten Solid State Relais:
Ausgangsspannung 24-480V AC
Ausgangsleistung max. 40A bei optimaler Lüftung. Sonst 12A
Automatische Nulldurchgangsschaltung
Optische Statusanzeige: Status-LED rot
Integrierter Kühlkörper
Kompaktes Hutschienengehäuse 24mm x 83mm x 76mm (B x T x H)




Beispielhafter Anschluss von 3 Phasen


(Eine beispielthafte Ansteuerung im Loxonesystem finden Sie weiter unten auf dieser Seite)

Achtung: Ab einer Leistung von 12A, muss für ausreichende Lüftung gesorgt werden. Dann bitte Abstand zwischen den Relais lassen. Ab einer Leistung von 20A ist ein Lüfter notwendig!





Beispielhafte Ansteuerung im Loxonesystem

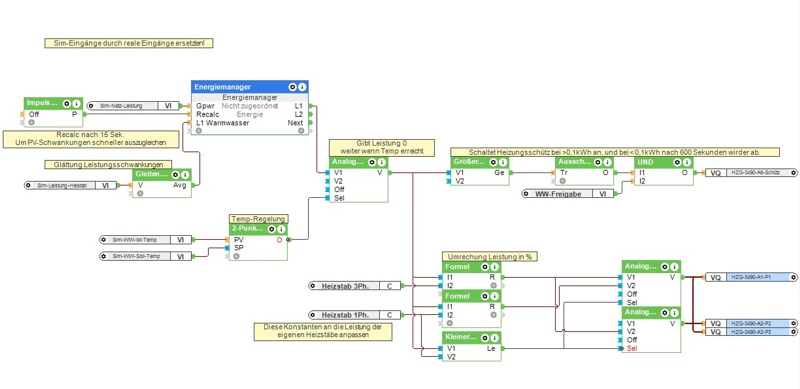
Im Folgenden sehen Sie eine mögliche Ansteuerung eines dreiphasigen Heizstabs mit dem Haus-Bus Leistungsregler.
Das Loxoneconfig Beispielprojekt kann hier runtergeladen werden (Herzlichen Dank an Dieter S. für die Zuverfügungstellung!)

Bitte beachten, dass in diesem Kundenbeispiel die ersten beiden Phasen immer gleichzeitig angesteuert werden, weil das bei kleinen Leistungen eine bessere Regelung ergeben hat. Falls Ihr Heizstab eine Leistung >10kw hat, sollten Sie besser erst den ersten Heizstab bis auf 100% regeln und anschließend den zweiten dazunehmen, so dass immer nur eine Phase tatsächlich geregelt wird und die anderen daueran- oder ausgeschaltet sind.


Erläuterungen:
Das Beispiel zeigt die Ansteuerung eines 3-Phasen Heizstabes. Die 3 Ausgänge vom Haus-Bus SSR Leistungsregler sind unten rechts (Blau) zu sehen. Die Steuerung steuert dabei zunächst immer nur Kanal1 und Kanal3 an (400V) und erst, wenn der PV Überschuss steigt, wird Kanal 2 hinzugeschaltet.

Folgende im Beispiel vorkommenden Signale/Konstanten müssen an die eigene Anlage angepasst werden:

Sim-Netz-Leistung
Hier wird der Netzzähler angeschlossen, damit der Energiemanager so regelt, dass nichts aus dem Netz bezogen wird. Dabei ist im Energiemanager der Wert O - Offset grid power [kW] auf -0,25 einzustellen. Dadurch sind 250 Watt Reserve vorgesehen, damit bei PV Schwankungen auf keinen Fall Strom aus dem Netz bezogen wird.

Sim-Leistung-Heizstab
Stromzähler vom Heizstab. Ist optional, aber ermöglicht eine bessere Regelung, weil die tatsächliche Momentanleistung der Heizstäbe berücksichtigt wird und nicht nur die Sollvorgabe

Sim-WW-Ist-Temp
Aktuelle Ist-Temperatur vom Warmwasser

Sim-WW-Soll-Temp
Gewünschte Soll-Temperatur vom Warmwasser

Heizstab 3PH.
Konstante, die auf die Gesamtleistung des 3 Phasenheizstabs einzustellen ist. Z.b. 3000 Watt

Heizstab 1PH.
Konstante, die auf die Leistung eines einzelnen Phasenheizstabs einzustellen ist. Z.b. 1000 Watt












Bequem und sicher bezahlen:
Fragen ?
Häufige Fragen werden
hier beantwortet
Hilfe und Beratung:
Funtastic MEDIA GmbH & Co. KG
Am Thy 3, 33034 Brakel
Tel: 05272 - 6068931 (Haus-Bus.de)
Tel: 05272 - 6068910 (Zentrale)
Mail: info@haus-bus.de
Öffnungszeiten: Mo-Fr 09:00-17:00 Uhr